Wyprowadzenie spalin przez ścianę zewnętrzną

Wyprowadzenie spalin przez ścianę zewnętrzną
  • Junkers-Bosch
  • Dostępność: towar na zamówienie - termin dostawy ustalany indywidualnie

282,00 zł

Dodaj do koszyka
Zestaw elementów do poziomego wyprowadzenia
przewodu powietrzno-spalinowego przez ścianę zewnętrzną
- system 60/100 i 80/110


Zestaw dedykowany dla kotłów Junkers Ceraclass ZS/ZW ... AE - z zamkniętą komorą spalania.
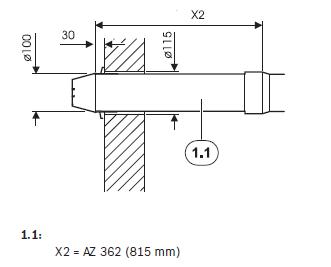
AZ362 - zestaw poziomy do odprowadzenia spalin przez ścianę 60/100
AZ
Długość przewodu - 815mm


ORYGINALNY PRODUKT FIRMY JUNKERS
Przepisz kod z obrazka: weryfikator



Bezpieczne zakupy

u nas masz 14 dni na zwrot towaru

Wybierz profesjonalistów

działamy w branży 20 lat

Profesjonalna obsługa

bardzo szybka realizacja zamówień